Product Description
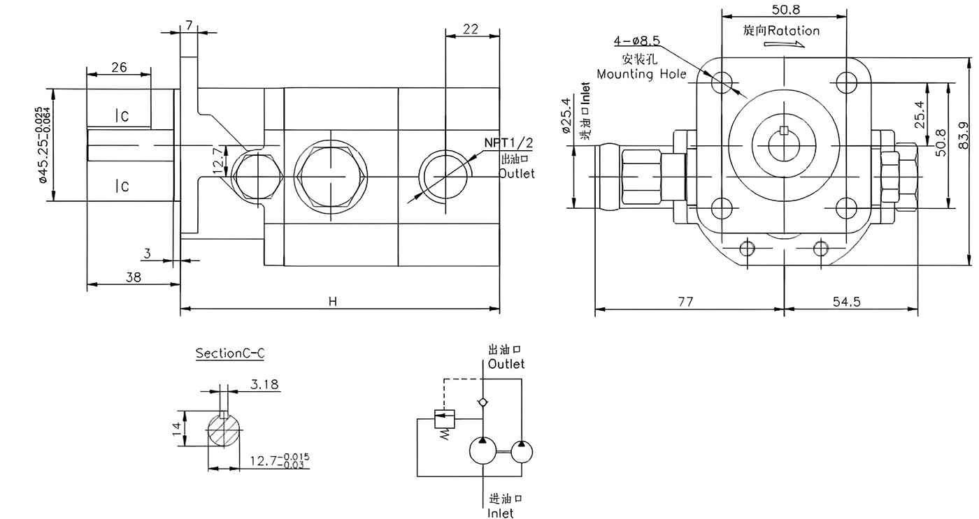
The CBNA double gear pump is composed of a large displacement low pressure gear pump and a small displacement high pressure gear pump, including a front cover, a housing and a pump body. A check valve is installed on the pump body and a relief valve is installed on the front cover. When the working pressure of the double pump is less than the opening pressure of the relief valve, the two gear pumps output hydraulic oil at the same time. When the working pressure is higher than the opening pressure of the relief valve, only the small displacement gear pump outputs high pressure hydraulic oil, thereby reducing power consumption. The CBN series double pumps are widely used in wood splitters, presses and machine tools.

| 型号 Model | 流量 Flow (L/min) | 排量 Displacement (ml/r) | 排量 Displacement (ml/r) | 压力 Pressure (MPa) | 压力 Pressure (MPa) | ||
|---|---|---|---|---|---|---|---|
| 型号 Model | 流量 Flow (L/min) | 高压泵 Hi Pre. | 低压泵 Low Pre. | 溢流阀 Unload | 工作压力 Work. | 转速 Speed (r/min) | 尺寸 Dimension H (mm) |
| CBNA-6.3/2.1 | 30 | 6.3 | 2.1 | 4.5 | 21 | 3600 | 115.7 |
| CBNA-8.8/2.1 | 39 | 8.8 | 2.1 | 4.5 | 21 | 3600 | 124.7 |
| CBNA-8.8/3.6 | 44 | 8.8 | 3.6 | 4.5 | 21 | 3600 | 129.8 |
| CBNA-10.9/2.1 | 4.6 | 10.9 | 2.1 | 4.5 | 21 | 3600 | 132.2 |
| CBNA-13/1.8 | 53 | 13 | 1.8 | 4.5 | 21 | 3600 | 138.1 |
| CBNA-13/2.1 | 54 | 13 | 2.1 | 4.5 | 21 | 3600 | 139.2 |
| CBNA-13/3.0 | 58 | 13 | 3.0 | 4.5 | 21 | 3600 | 142.1 |
| CBNA-13/4.2 | 62 | 13 | 4.2 | 4.5 | 21 | 3600 | 146.1 |
| CBNA-15/3.0 | 64 | 15 | 3.0 | 4.5 | 21 | 3600 | 142.1 |










Established in 2005, Hebei Ding'an Hydraulic Machinery Co., Ltd. is a professional manufacturer specializing in the research, development, and production of high-quality hydraulic components.
We take pride in our modern facility and rigorous standards:
● Certified Quality: Our operations are fully ISO and CE certified, ensuring international standards for every product.
● Advanced Manufacturing: Equipped with CNC machining centers and precision testing equipment to guarantee reliability and performance.
● Global Reach: Our products are trusted by clients in over 20 countries, including Russia, Europe, India, and Southeast Asia.
We are dedicated to providing not just products, but complete solutions and professional after-sales support. Choose Ding'an for durability and expertise you can count on.
Use sturdy wooden cartons for packaging to ensure the safety of goods on the road.

1. Dingan Hydraulic Machinery Co., Ltd. has quality control from the beginning to the end. Each piece of goods is strictly tested before packaging.
2. We have excellent service: we treat our customers as friends.
3. We have good quality: We have a strict quality control system. Enjoy a good reputation in the market.
4. We can produce any customized design for you.
5. Our prices are cheap and discounted

Q1: Who are we?
A1: Our factory was founded in 2oo5 and is a technology-based smal and medium-sized enterprise. lt is located in Ningjin, Hebei, a national hydraulic machinery parts base.
Q2: How can we guarantee quality?
A2: Always a pre-production sample before mass production; Always final Inspection before shipment.
Q3: What can you buy from us?
A3: A Solenoid valve, Hydraulic cylinder, Hydraulic pump station, Electronic control system,Gear pump.
Q4: Why should you buy from us?
A4: We have product development experience in hydraulics for over 18 years. Three production bases in China with a total plant area of 50000 square metres. Industrial robots and FMS are used extensively for production, Achieve smart manufacturing.
Q5: What service can we provide?
A5: Accepted Delivery Terms: FOB, CFR, CIF, EXW, DDP, DDU, Express Delivery, DAF; Accepted Payment Currency: USD, EUR, CNY;